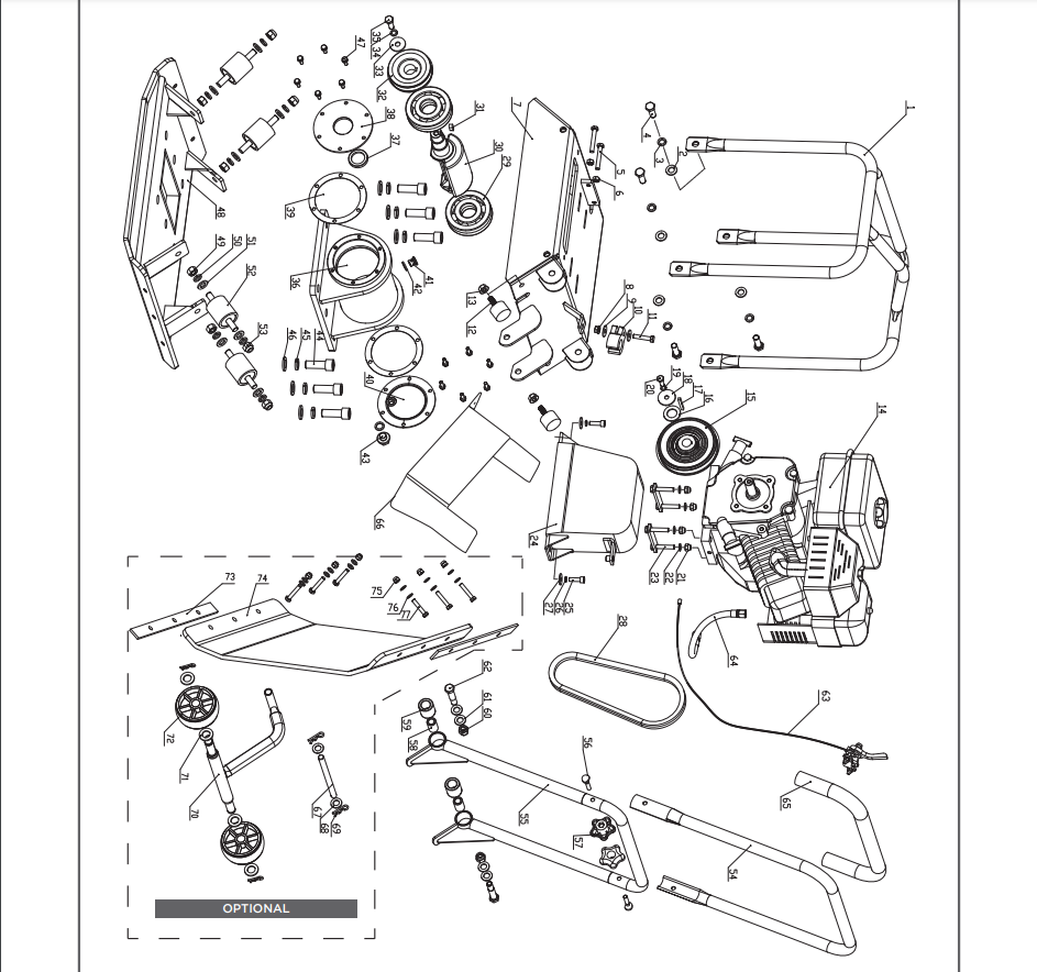
61021 COMPACTOR PLATE 6.5HP - STARK PARTS LISTING
SKU:
P61021-24
1 customers are viewing right now
$2500
Unit price
/
Unavailable
61021 COMPACTOR PLATE 6.5HP - STARK PARTS LISTING - P61021-24 STOCKED BELT GUARD is backordered and will ship as soon as it is back in stock.
Couldn't load pickup availability


