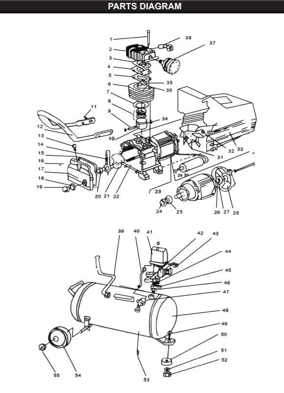
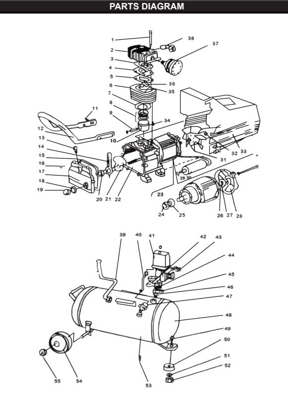
65151 Air Compressor PARTS LISTING
SKU:
P65151-AF
1 customers are viewing right now
$1500
Unit price
/
Unavailable
65151 Air Compressor PARTS LISTING - P65151-AF STOCKED AIR FILTER ASSEMBLY is backordered and will ship as soon as it is back in stock.
Couldn't load pickup availability



