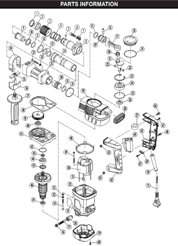
61102 1400W Demolition Jack Hammer PARTS LISTING
SKU:
P61102-18
1 customers are viewing right now
$1500
Unit price
/
Unavailable
61102 1400W Demolition Jack Hammer PARTS LISTING - P61102-18 STOCKED OIL LID is backordered and will ship as soon as it is back in stock.
Couldn't load pickup availability



