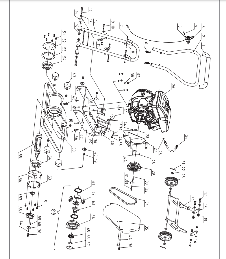
61023 PARTS LISTING COMPACTOR PLATE 3HP - STARK
SKU:
P61023-27
1 customers are viewing right now
$2500
Unit price
/
Unavailable
61023 PARTS LISTING COMPACTOR PLATE 3HP - STARK - P61023-27 STOCKED BELT GUARD BRACKET is backordered and will ship as soon as it is back in stock.
Couldn't load pickup availability


