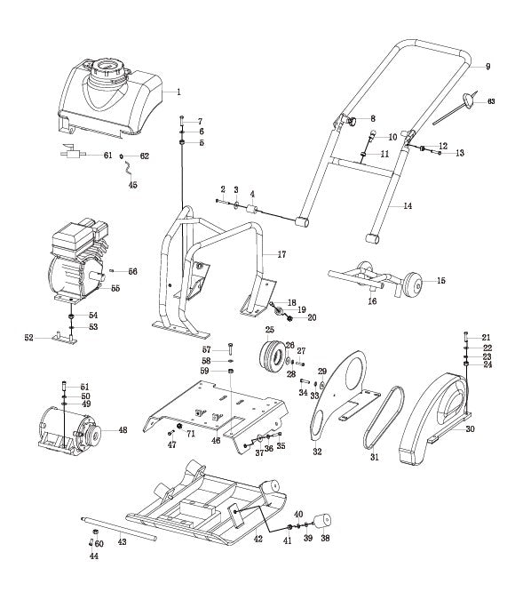
61006 COMPACTOR PLATE GAS 6.5HP HD - STARK PARTS LISTING
SKU:
P61006-E-A1
1 customers are viewing right now
$1500
Unit price
/
Unavailable
61006 COMPACTOR PLATE GAS 6.5HP HD - STARK PARTS LISTING - P61006-E-A1 AIR FILTER STOCKED is backordered and will ship as soon as it is back in stock.
Couldn't load pickup availability





